钢筋工程是主体结构的一个重要分项工程。平法钢筋等技术发展很快,涌现出很多的新方法,规范也进行了大范围的更新。随着11G101系列规范更新以后,12G901系列规范也进行了更新。12G901系列图集是对11G101系列图集构造内容在施工时钢筋排布构造的深化设计。
本丛书系统地对比讲解了11G101系列图集和12G901系列图集,精选不同结构类型的典型实例,将整套独立基础•条形基础•筏形基础施工图展示给读者,以帮助读者全面认识12G901的精髓及修改之处,对实际问题进行了细致的分析与解读,方便相关工作人员学习平法钢筋知识。
市场上同类书较少,而相关的学校有此类课程,很缺少这类的培训教材,本丛书的出版能够为相关学校、培训机构提供很好的系统性、实用性教材。
				
			编辑推荐
图书简介
					本书依据《混凝土结构施工钢筋排布规则与构造详图(独立基础、条形基础、筏形基础、桩基承台)(12G901-3)最新图集及《混凝土结构设计规范》(GB50010-2010)、《建筑抗震设计规范》(GB50011——2010)编写,主要内容包括基础知识、独立基础精识快算、条形基础精识快算、筏形基础精识快算、与基础有关的构造等。以平法制图规则为基础,结合具体的钢筋排布构造识图,通过计算实例详细讲解了独立基础、条形基础、筏形基础的各类钢筋在实际工程中的识图与计算。
本书可供设计人员、施工技术人员、工程造价人员以及相关专业大中专的师生学习参考。
				
			本书可供设计人员、施工技术人员、工程造价人员以及相关专业大中专的师生学习参考。
图书目录
						1 基础知识
1.1混凝土保护层厚度及混凝土结构的环境类别
1.1.1混凝土保护层最小厚度
1.1.2混凝土结构环境类别
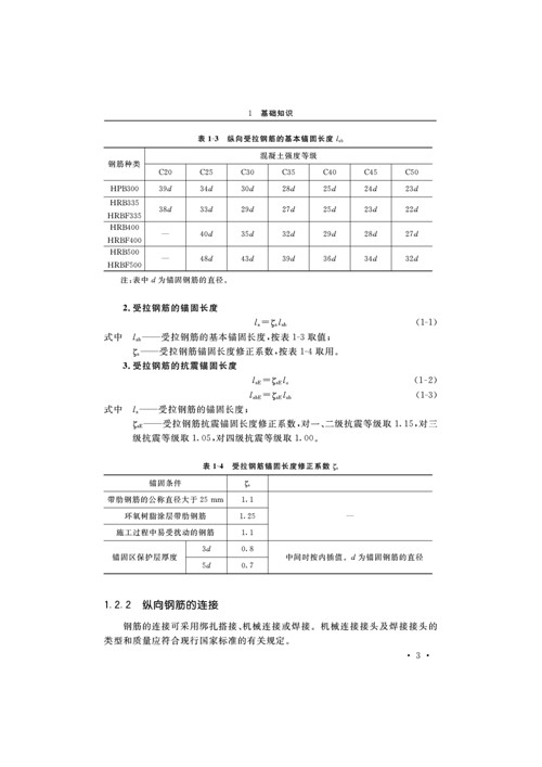
1.2钢筋的锚固与连接
1.2.1纵向钢筋的锚固
1.2.2纵向钢筋的连接
1.3 钢筋的弯钩和弯折
1.4箍筋、拉筋弯钩构造
1.5纵向钢筋绑扎搭接横截面钢筋排布
1.6筏形基础纵向钢筋的间距
1.7柱插筋在基础中的锚固
1.8墙插筋在基础中的锚固
1.9基础梁横截面箍筋安装绑扎位置要求
1.10基础梁横截面纵向钢筋与箍筋排布构造
2独立基础精识快算
2.1独立基础平法识图
2.1.1平面注写方式
2.1.2截面注写方式
2. 2 独立基础钢筋识图
2.2.1独立基础DJj、DJp、BJj、BJp底板钢筋排布构造
2.2.2双柱普通独立基础底部与顶部钢筋排布构造
2.2.3设置基础梁的双柱普通独立基础钢筋排布构造
2.2.4独立基础底板配筋长度减短10%的钢筋排布构造
2.2.5杯口独立基础BJj、BJP钢筋排布构造
2.2.6双杯口独立基础BJj、BJP钢筋排布构造
2.2.7高杯口独立基础BJj、BJP钢筋排布构造
2.2.8高双杯口独立基础BJj、BJP钢筋排布构造
2.2.9单柱普通独立深基础短柱钢筋排布构造
2.2.10双柱普通独立深基础短柱钢筋排布构造
2.3 独立基础钢筋快算
3 条形基础精识快算
3.1条形基础平法识图
3.1.1条形基础基础梁平法识图
3.1.2条形基础底板平法识图
3.2条形基础钢筋识图
3.2.1墙下条形基础底板受力钢筋的排布构造
3.2.2梁式条形基础底板受力钢筋的排布构造
3.2.3条形基础底板不平时底板钢筋的排布构造
3.2.4基础梁纵向钢筋连接位置
3.2.5基础梁箍筋、拉筋沿梁纵向排布构造
3.2.6基础梁纵筋搭接区箍筋排布构造
3.2.7基础梁JL端部钢筋排布构造
3.2.8基础次梁JCL端部钢筋排布构造
3.2.9基础梁顶平和底平时钢筋排布构造
3.2.10基础梁有高差时钢筋排布构造
3.2.11支座两侧基础梁宽度不同时钢筋排布构造
3.2.12基础主梁与柱结合部位侧腋钢筋排布构造
3.2.13基础梁高加腋钢筋排布构造
3.2.14基础主梁与基础次梁相交处附加横向钢筋排布构造
3.2.15基础梁相交区域箍筋排布构造
3.3 条形基础钢筋快算
4筏形基础精识快算
4.1筏形基础平法识图
4.1.1梁板式筏形基础平法识图
4.1.2平板式筏形基础平法识图
4.2筏形基础钢筋识图
4.2.1梁板式筏形基础底板钢筋的连接位置
4.2.2梁板式筏形基础底板纵向钢筋排布构造
4.2.3梁板式筏形基础平板端部钢筋排布构造
4.2.4梁板式筏形基础平板变截面部位钢筋排布构造
4.2.5柱下板带ZXB和跨中板带KZB钢筋排布构造
4.2.6平板式筏形基础平板BPB钢筋排布构造
4.2.7平板式筏形基础平板(ZXD、KZD、BPB)钢筋排布构造
4.2.8平板式筏形基础平板(ZXD、KZD、BPB)不平时钢筋排布构造
4.2.9平板式筏形基础平板(ZXD、KZD、BPB)封边钢筋排布构造
4.3筏形基础钢筋快算
5与基础有关的构造
5.1与基础有关的构造平法识图
5.2 与基础有关的钢筋识图
5.2.1基础联系梁JLL纵筋排布构造
5.2.2基础联系梁与相关联框架柱箍筋排布构造
5.2.3基础联系梁与基础以上框架柱箍筋排布构造
5.2.4基础联系梁上部纵筋搭接连接位置和箍筋加密构造
5.2.5基础底板后浇带HJD钢筋排布构造
5.2.6基坑JK的钢筋排布构造
5.2.7棱台(柱)状上柱墩SZD钢筋排布构造
5.2.8基础平板下倒棱台形柱墩XZD钢筋排布构造
5.2.9基础下柱墩XZD钢筋排布构造
5.2.10防水底板JB与各类基础的连接构造
5.2.11基础顶面在防水板内时的基础连接构造
5.2.12单跨且无外伸或悬挑的基础连梁JLLxx(l)钢筋排布构造
参考文献
					
				1.1混凝土保护层厚度及混凝土结构的环境类别
1.1.1混凝土保护层最小厚度
1.1.2混凝土结构环境类别
1.2钢筋的锚固与连接
1.2.1纵向钢筋的锚固
1.2.2纵向钢筋的连接
1.3 钢筋的弯钩和弯折
1.4箍筋、拉筋弯钩构造
1.5纵向钢筋绑扎搭接横截面钢筋排布
1.6筏形基础纵向钢筋的间距
1.7柱插筋在基础中的锚固
1.8墙插筋在基础中的锚固
1.9基础梁横截面箍筋安装绑扎位置要求
1.10基础梁横截面纵向钢筋与箍筋排布构造
2独立基础精识快算
2.1独立基础平法识图
2.1.1平面注写方式
2.1.2截面注写方式
2. 2 独立基础钢筋识图
2.2.1独立基础DJj、DJp、BJj、BJp底板钢筋排布构造
2.2.2双柱普通独立基础底部与顶部钢筋排布构造
2.2.3设置基础梁的双柱普通独立基础钢筋排布构造
2.2.4独立基础底板配筋长度减短10%的钢筋排布构造
2.2.5杯口独立基础BJj、BJP钢筋排布构造
2.2.6双杯口独立基础BJj、BJP钢筋排布构造
2.2.7高杯口独立基础BJj、BJP钢筋排布构造
2.2.8高双杯口独立基础BJj、BJP钢筋排布构造
2.2.9单柱普通独立深基础短柱钢筋排布构造
2.2.10双柱普通独立深基础短柱钢筋排布构造
2.3 独立基础钢筋快算
3 条形基础精识快算
3.1条形基础平法识图
3.1.1条形基础基础梁平法识图
3.1.2条形基础底板平法识图
3.2条形基础钢筋识图
3.2.1墙下条形基础底板受力钢筋的排布构造
3.2.2梁式条形基础底板受力钢筋的排布构造
3.2.3条形基础底板不平时底板钢筋的排布构造
3.2.4基础梁纵向钢筋连接位置
3.2.5基础梁箍筋、拉筋沿梁纵向排布构造
3.2.6基础梁纵筋搭接区箍筋排布构造
3.2.7基础梁JL端部钢筋排布构造
3.2.8基础次梁JCL端部钢筋排布构造
3.2.9基础梁顶平和底平时钢筋排布构造
3.2.10基础梁有高差时钢筋排布构造
3.2.11支座两侧基础梁宽度不同时钢筋排布构造
3.2.12基础主梁与柱结合部位侧腋钢筋排布构造
3.2.13基础梁高加腋钢筋排布构造
3.2.14基础主梁与基础次梁相交处附加横向钢筋排布构造
3.2.15基础梁相交区域箍筋排布构造
3.3 条形基础钢筋快算
4筏形基础精识快算
4.1筏形基础平法识图
4.1.1梁板式筏形基础平法识图
4.1.2平板式筏形基础平法识图
4.2筏形基础钢筋识图
4.2.1梁板式筏形基础底板钢筋的连接位置
4.2.2梁板式筏形基础底板纵向钢筋排布构造
4.2.3梁板式筏形基础平板端部钢筋排布构造
4.2.4梁板式筏形基础平板变截面部位钢筋排布构造
4.2.5柱下板带ZXB和跨中板带KZB钢筋排布构造
4.2.6平板式筏形基础平板BPB钢筋排布构造
4.2.7平板式筏形基础平板(ZXD、KZD、BPB)钢筋排布构造
4.2.8平板式筏形基础平板(ZXD、KZD、BPB)不平时钢筋排布构造
4.2.9平板式筏形基础平板(ZXD、KZD、BPB)封边钢筋排布构造
4.3筏形基础钢筋快算
5与基础有关的构造
5.1与基础有关的构造平法识图
5.2 与基础有关的钢筋识图
5.2.1基础联系梁JLL纵筋排布构造
5.2.2基础联系梁与相关联框架柱箍筋排布构造
5.2.3基础联系梁与基础以上框架柱箍筋排布构造
5.2.4基础联系梁上部纵筋搭接连接位置和箍筋加密构造
5.2.5基础底板后浇带HJD钢筋排布构造
5.2.6基坑JK的钢筋排布构造
5.2.7棱台(柱)状上柱墩SZD钢筋排布构造
5.2.8基础平板下倒棱台形柱墩XZD钢筋排布构造
5.2.9基础下柱墩XZD钢筋排布构造
5.2.10防水底板JB与各类基础的连接构造
5.2.11基础顶面在防水板内时的基础连接构造
5.2.12单跨且无外伸或悬挑的基础连梁JLLxx(l)钢筋排布构造
参考文献

								
								
								
								
								
								
								
								
								
								