怎样才能快速地让他人看懂自己设计的图纸?
怎样才能使所有人对同一张木工大样图理解一致?
从事木工工程36年的资深木工专家告诉你答案
——简明易懂的木工建材符号是你的首选!
室内施工包括什么?
木作施工遇到问题怎么办?
天花板、地板、壁板、隔屏、开口、橱柜、台板
——所有问题都在书中向你展现!
木工大样图的任务是什么?
确立设计重点——详录各装修部位的木工样式与规格
作为施工依据——说明材料之间的关系和施工顺序
达到沟通目的——以系统制图符号辨别各材料特性
一物一图一表,用细节展现设计重点;
名称、尺寸与材质,让知识尽在表格显现;
设计师使用参考的手边书,木工学习的必备之选,一本无可替代的木工权威用书!
编辑推荐
图书简介
本书完整收录了305种各式木工大样图,其中天花板木工大样图51个、地板木工大样图18个、壁板木工大样图40个、隔屏木工大样图9个、开口木工大样图38个、橱柜木工大样图108个和台面木工大样图41个。本书详细地讲述了木工大样图应该具备的功能和使用需求,同时也从确立设计重点、作为施工依据、达到沟通目的三个方面,讲解了各装修部位的样式与规格、材料之间的关系及施工顺序及辨识各材料特性的施工符号,让设计师和木工工匠能够对木工大样图有更加深入和清晰的认知。本书兼备知识性、学术性和实用性,适合设计师及木工工匠进行学习与参考,是国内第一本专业木工施工大样图集,也是一本无可替代的木工设计权威用书。
图书目录
常用木工材料介绍............................................................................................................................... 13
木工常用名词释义................................................................................................................................. 24
硅酸钙板平顶天花板............................................................................................................ 28
松木板材平顶天花板............................................................................................................ 29
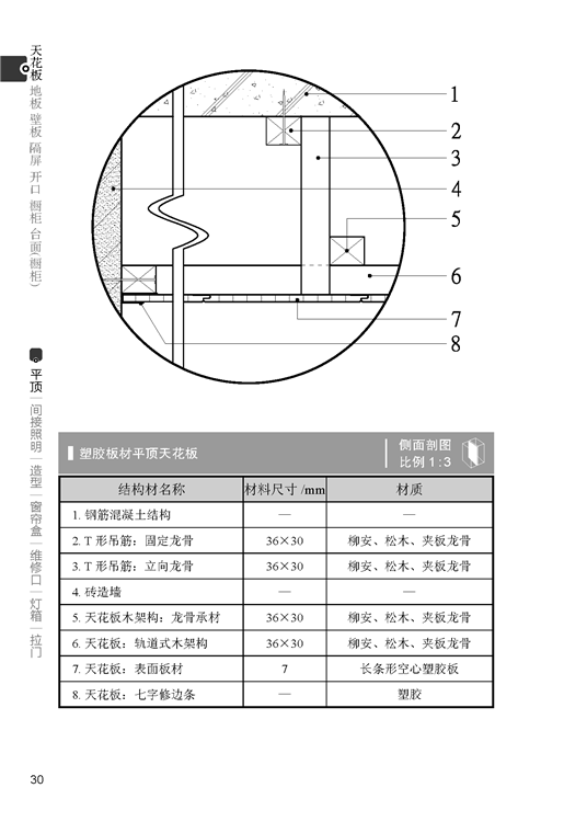
塑胶板材平顶天花板............................................................................................................ 30
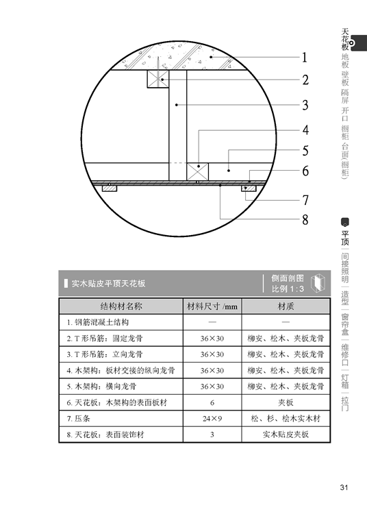
实木贴皮平顶天花板............................................................................................................ 31
边框企口式平顶天花板...................................................................................................... 32
边框线板式平顶天花板...................................................................................................... 33
龙骨结构层板式间接照明............................................................................................... 34
板材结构层板式间接照明............................................................................................... 35
间接照明式天花板-1 ......................................................................................................... 36
间接照明式天花板-2 ......................................................................................................... 37
洗墙式间接照明天花板...................................................................................................... 38
沟槽造型间接照明天花板............................................................................................... 39
内角线板造型天花板............................................................................................................ 40
阶梯式灯具挡板造型天花板........................................................................................ 41
双线板式造型天花板............................................................................................................ 42
阶梯式造型天花板................................................................................................................... 43
内外角线板式造型天花板-1 ..................................................................................... 44
内外角线板式造型天花板-2 ..................................................................................... 45
间接照明外加企口造型天花板.................................................................................. 46
圆形天花板加框加企口造型天花板..................................................................... 47
间接照明下加造型框天花板........................................................................................ 48
悬吊式空心格栅造型天花板........................................................................................ 49
阶梯加线板造型天花板....................................................................................................... 50
固定式空心格栅造型天花板........................................................................................ 51
间接照明上加造型框天花板........................................................................................ 52
间接照明加线形出、回风口........................................................................................ 53
双层间接照明造型天花板............................................................................................... 54
圆弧造型天花板.......................................................................................................................... 55
圆弧造型上接平顶天花板............................................................................................... 56
内斜边造型天花板-1 ......................................................................................................... 57
内斜边造型天花板-2 ......................................................................................................... 58
吸顶式窗帘盒................................................................................................................................ 59
外挂式窗帘盒................................................................................................................................ 60
外挂式造型窗帘盒................................................................................................................... 61
外挂式造型窗帘盒................................................................................................................... 61
半嵌入式窗帘盒.......................................................................................................................... 62
半嵌入式造型窗帘盒............................................................................................................ 63
嵌入式窗帘盒................................................................................................................................. 64
间接照明式窗帘盒................................................................................................................... 65
窗帘盒内嵌灯................................................................................................................................ 66
窗帘盒上接空调固定架构............................................................................................... 67
内嵌式空调盒................................................................................................................................ 68
面板外凸式维修口................................................................................................................... 69
木作边框维修口.......................................................................................................................... 70
塑胶边框维修口.......................................................................................................................... 71
无框式回风口................................................................................................................................ 72
灯槽、内嵌灯................................................................................................................................ 73
玻璃灯箱.............................................................................................................................................. 74
实木框玻璃灯箱.......................................................................................................................... 75
天花板两片式悬吊拉门...................................................................................................... 76
天花板单片式悬吊拉门...................................................................................................... 77
吸顶双片悬吊式拉门............................................................................................................ 78
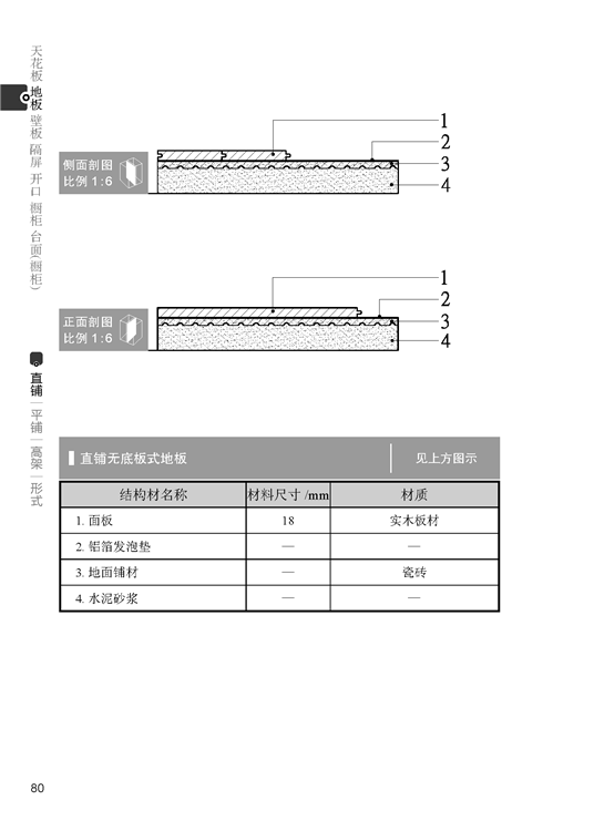
直铺无底板式地板................................................................................................................... 80
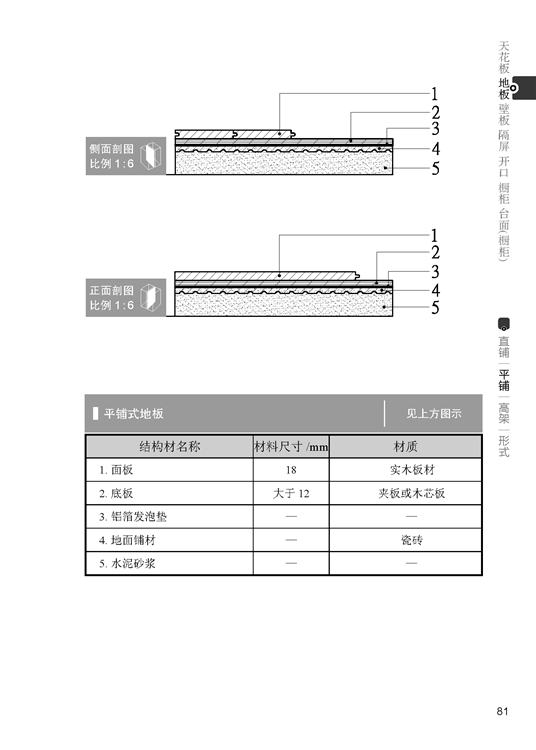
平铺式地板....................................................................................................................................... 81
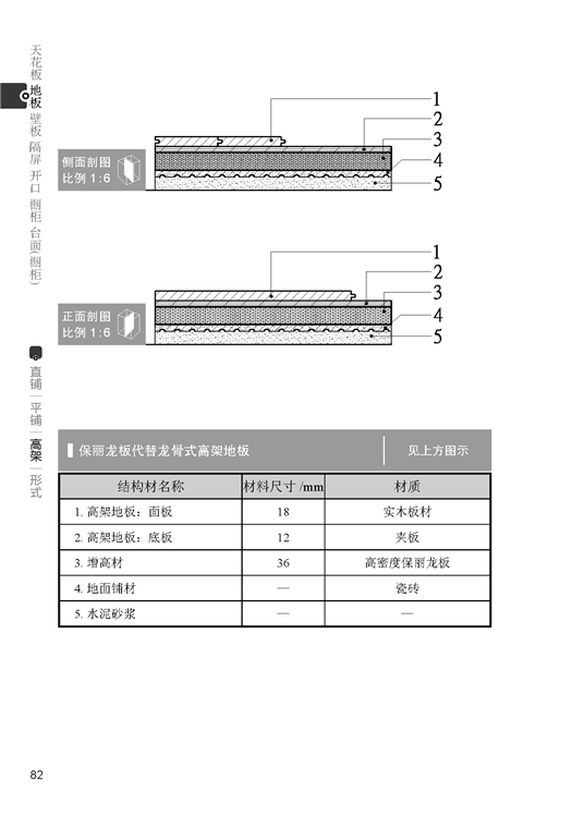
保丽龙板代替龙骨式高架地板................................................................................. 82
直贴龙骨式高架地板............................................................................................................ 83
空心承载板式高架地板...................................................................................................... 84
承载龙骨式高架地板............................................................................................................ 85
承载板式高架地板................................................................................................................... 86
支撑龙骨式高架地板-1 .................................................................................................. 87
支撑龙骨式高架地板-2 .................................................................................................. 88
高架地板面贴卡扣板材...................................................................................................... 89
无底板式高架地板................................................................................................................... 90花板地板
两阶式踏板....................................................................................................................................... 91
齐头式收尾....................................................................................................................................... 92
高架地板下:抽屉柜............................................................................................................ 93
高架地板下:悬空.................................................................................................................... 94
地板下拉门框组.......................................................................................................................... 95
地板下嵌灯....................................................................................................................................... 96
榻榻米地板下拉门框组...................................................................................................... 97
木架构壁板....................................................................................................................................... 100
壁板贴附装饰材.......................................................................................................................... 101
硅酸钙板壁板................................................................................................................................ 102
松木板材壁板................................................................................................................................ 103
企口造型壁板................................................................................................................................ 104
壁板贴附实木拼板................................................................................................................... 105
壁板贴附文化石.......................................................................................................................... 106
壁板贴附石材................................................................................................................................ 107
壁板贴附瓷砖................................................................................................................................ 108
隔热耐燃壁板................................................................................................................................ 109
嵌入式玻璃承板.......................................................................................................................... 110
板材嵌入式承板.......................................................................................................................... 111
全牙螺桿固定式承板............................................................................................................ 112
壁面固定式承板.......................................................................................................................... 113
龙骨结构式承板.......................................................................................................................... 114
板材嵌入式:加厚承板...................................................................................................... 115
龙骨结构式:承板内嵌灯............................................................................................... 116
龙骨结构式:承板后嵌灯............................................................................................... 117
板材嵌入式:加厚承板内嵌灯-1 ....................................................................... 118
板材嵌入式:加厚承板内嵌灯-2........................................................................ 119
造型壁面内嵌灯.......................................................................................................................... 120
壁面造型框-1.............................................................................................................................. 121
壁面造型框-2.............................................................................................................................. 122
壁面造型框-3.............................................................................................................................. 123
壁面造型框:外加线板-1............................................................................................. 124
壁面造型框:外加线板-2............................................................................................. 125
壁面造型框:外加线板-3............................................................................................. 126
壁面造型下嵌灯........................................................................................................................... 127
壁面造型:上置灯箱.............................................................................................................. 128
壁面造型:下置灯箱.............................................................................................................. 129
壁面造型:上嵌灯................................................................................................................... 130
壁面造型:灯箱-1 ................................................................................................................ 131
壁面造型:灯箱-2 ................................................................................................................ 132
壁面造型:灯箱-3 ................................................................................................................ 133
壁面造型:内嵌柜................................................................................................................... 134
壁面造型:台面上嵌灯...................................................................................................... 135
床头造型:内嵌式床边柜............................................................................................... 136
床头造型:内嵌式软垫...................................................................................................... 137
斜背坐柜.............................................................................................................................................. 138
直背坐柜.............................................................................................................................................. 139
踢脚线..................................................................................................................................................... 142
木作隔屏踢脚线.......................................................................................................................... 143
木作造型框玻璃隔屏-1 .................................................................................................. 144
木作造型框玻璃隔屏-2 .................................................................................................. 145
木作造型框玻璃隔屏-3 .................................................................................................. 146
木框玻璃隔屏-1 ....................................................................................................................... 147
木框玻璃隔屏-2 ....................................................................................................................... 148
木作耐燃隔屏................................................................................................................................ 149
玻璃屏风造型塔头................................................................................................................... 150
木作门框-1 .................................................................................................................................... 152
木作门柜-2 .................................................................................................................................... 153
木作门框-3 .................................................................................................................................... 154
无门式造型门框.......................................................................................................................... 155
有门式造型门框.......................................................................................................................... 156
门框内嵌消音条.......................................................................................................................... 157
单面造型有门式门框............................................................................................................ 158
双开式木作门框.......................................................................................................................... 159
双面造型无门式门框-1 .................................................................................................. 160
双面造型无门式门框-2 .................................................................................................. 161
壁挂单片悬吊式拉门............................................................................................................ 162
隐藏式拉门....................................................................................................................................... 163
嵌入壁面式拉门.......................................................................................................................... 164
外盖门框式拉门.......................................................................................................................... 165
抵框式拉门....................................................................................................................................... 166
拉门下挡类型................................................................................................................................ 167
联动式拉门与配件................................................................................................................... 168
拉门间隙可调式下挡............................................................................................................ 169
地板上格栅木条拉门与轮轴........................................................................................ 170
格栅木条拉门与框..................................................................................................................... 171
壁面造型式隐藏门-1 ......................................................................................................... 172
壁面造型式隐藏门-2 ....................................................................................................... 173
橱柜式隐藏门................................................................................................................................ 174
橱柜常用门片................................................................................................................................ 175
空心门片-1 .................................................................................................................................... 176
空心门片-2 .................................................................................................................................... 177
格栅木条拉门................................................................................................................................ 178
橱柜:木框玻璃门-1 ......................................................................................................... 179
橱柜:木框玻璃门-2 ......................................................................................................... 180
木框玻璃门-1 .............................................................................................................................. 181
木框玻璃门-2 .............................................................................................................................. 182
实木门..................................................................................................................................................... 183
空心造型门片-1 ....................................................................................................................... 184
空心造型门片-2 ....................................................................................................................... 185
实木框玻璃门................................................................................................................................ 186
木框造型玻璃门.......................................................................................................................... 187
橱柜:造型门片-1 ................................................................................................................ 188
橱柜:造型门片-2 ................................................................................................................ 189
柜体直贴天花板-1 ................................................................................................................ 192
柜体直贴天花板-2 ................................................................................................................ 193
塔头:单板结构.......................................................................................................................... 194
塔头加厚:表面贴装饰材............................................................................................... 195
塔头加厚:下贴装饰材...................................................................................................... 196
及顶正面内缩式塔头.............................................................................................................. 197
塔头加厚:L 形板材结构................................................................................................ 198
塔头加厚:水平向板材结构........................................................................................ 199
柜体加框式塔头-1 ................................................................................................................ 200
柜体加框式塔头-2 ................................................................................................................ 201
造型塔头.............................................................................................................................................. 202
及顶外凸式塔头.......................................................................................................................... 203
及顶塔头.............................................................................................................................................. 204
吸顶式造型塔头-1 ................................................................................................................ 205
吸顶式造型塔头-2 ................................................................................................................ 206
吸顶式造型塔头-3 ................................................................................................................ 207
橱柜:两片式拉门轮轴配件........................................................................................ 208
橱柜:两片式拉门上导槽-1 ..................................................................................... 209
橱柜:两片式拉门上导槽-2 ..................................................................................... 210
橱柜:两片式拉门( 内嵌沟槽) 与轮轴配件........................................... 211
橱柜:悬吊两片式拉门与轮轴配件................................................................... 212
橱柜:悬吊式拉门实木下挡与构件................................................................... 213
橱柜:单片外挂式拉门...................................................................................................... 214
橱柜:双片外挂式拉门...................................................................................................... 215
柜体加框:留18 mm 企口.......................................................................................... 216
柜体加框:留9 mm 企口.............................................................................................. 217
柜体加框-1 .................................................................................................................................... 218
柜体加框-2 .................................................................................................................................... 219
柜体加造型框-1 ....................................................................................................................... 220
柜体加造型框-2 ....................................................................................................................... 221
柜体加造型框-3 ....................................................................................................................... 222
柜体加造型框-4 ....................................................................................................................... 223
门面盖18 mm............................................................................................................................. 224
门片盖13.5 mm.......................................................................................................................... 225
门片盖9 mm.................................................................................................................................. 226
门片盖4.5 mm............................................................................................................................. 227
门片入柱.............................................................................................................................................. 228
门片入柱盖9 mm...................................................................................................................... 229
企口9 mm......................................................................................................................................... 230
门片盖24 mm............................................................................................................................... 231
表面板材交接-1 ....................................................................................................................... 232
表面板材交接-2 ....................................................................................................................... 233
表面板材交接-3 ....................................................................................................................... 234
柜体间加柱-1 .............................................................................................................................. 235
柜体间加柱-2 .............................................................................................................................. 236
柜体间加柱-3 .............................................................................................................................. 237
柜体间加柱-4 .............................................................................................................................. 238
柜体加造型柱................................................................................................................................ 239
L 形书桌柜........................................................................................................................................ 240
包柱L 形柜...................................................................................................................................... 241
加框L 形柜-1 ............................................................................................................................. 242
加框L 形柜-2 ............................................................................................................................. 243
无门式L 形衣柜转角............................................................................................................ 244
有门式L 形衣柜转角............................................................................................................ 245
门片:侧面封边形式............................................................................................................ 246
门片:企口挡板样式-1 .................................................................................................. 247
门片:企口挡板样式-2 .................................................................................................. 248
抽屉企口与暗把手................................................................................................................... 249
抽屉与门片企口.......................................................................................................................... 250
门片企口与斜边暗把............................................................................................................ 251
入柱型抽屉....................................................................................................................................... 252
抽屉:无企口挡板式.............................................................................................................. 253
抽屉入柱加框-1 ....................................................................................................................... 254
抽屉入柱加框-2 ....................................................................................................................... 255
衣柜灯..................................................................................................................................................... 256
橱柜内嵌灯-1 .............................................................................................................................. 257
橱柜内嵌灯-2 .............................................................................................................................. 258
橱柜内嵌灯-3 .............................................................................................................................. 259
柜体外加实木脚.......................................................................................................................... 260
柜体嵌入实木脚.......................................................................................................................... 261
柜体外加木作脚.......................................................................................................................... 262
柜体嵌入木作脚.......................................................................................................................... 263
切齐门片踢脚线.......................................................................................................................... 264
内缩柜体式踢脚线................................................................................................................... 265
柜体悬空下嵌灯-1 ................................................................................................................ 266
柜体悬空下嵌灯-2 ................................................................................................................ 267
柜体悬空下嵌灯-3 ................................................................................................................ 268
踢脚内缩下嵌灯.......................................................................................................................... 269
拉门式橱柜踢脚-1 ................................................................................................................ 270
拉门式橱柜踢脚-2 ................................................................................................................ 271
拉门式橱柜踢脚-3 ................................................................................................................ 272
外凸门片造型踢脚线-1 .................................................................................................. 273
外凸门片造型踢脚线-2 .................................................................................................. 274
外凸门片造型踢脚线-3 .................................................................................................. 275
外凸门片造型踢脚线-4 .................................................................................................. 276
柜体下:调整式金属脚...................................................................................................... 277
橱柜实木脚....................................................................................................................................... 278
踢脚下置塑胶垫.......................................................................................................................... 279
平台:造型踢脚.......................................................................................................................... 280
直贴地板式踢脚.......................................................................................................................... 281
平台:石材踢脚.......................................................................................................................... 282
活动柜..................................................................................................................................................... 283
踢脚抽屉.............................................................................................................................................. 284
抽屉下暗格....................................................................................................................................... 285
衣柜内暗格....................................................................................................................................... 286
走抽底与走中含式抽屉...................................................................................................... 287
二段与三段式抽屉滑轨...................................................................................................... 288
抽板式三段式滑轨................................................................................................................... 289
拉门式衣柜与抽屉................................................................................................................... 290
开门式衣柜与抽屉-1 ......................................................................................................... 291
开门式衣柜与抽屉-2 ......................................................................................................... 292
悬吊式橱柜:固定样式-1 ........................................................................................... 293
悬吊式橱柜:固定样式-2 ........................................................................................... 294
悬吊式橱柜:固定样式-3 ........................................................................................... 295
悬吊式橱柜:固定样式-4 ........................................................................................... 296
悬吊式橱柜:固定样式-5 ........................................................................................... 297
悬吊式橱柜:固定样式-6 ........................................................................................... 298
悬吊式造型柜................................................................................................................................ 299
门片切齐台面................................................................................................................................ 302
门片外凸台面................................................................................................................................ 303
抽屉内缩台面................................................................................................................................ 304
加厚台面.............................................................................................................................................. 305
台面下加企口挡板................................................................................................................... 306
台面:斜角造型.......................................................................................................................... 307
台面:半圆造型.......................................................................................................................... 308
台面:半圆加斜边造型...................................................................................................... 309
台面:斜边造型.......................................................................................................................... 310
台面:贴实木皮.......................................................................................................................... 311
台面加厚造型................................................................................................................................ 312
实木台面.............................................................................................................................................. 313
台面:实木集成板材............................................................................................................ 314
会议桌:线槽................................................................................................................................ 315
书桌:出线孔................................................................................................................................ 316
台面:柜体加框.......................................................................................................................... 317
造型台面.............................................................................................................................................. 318
床头柜台面....................................................................................................................................... 319
台面下企口造型.......................................................................................................................... 320
柜台:上台面、面贴贴皮夹板................................................................................. 321
柜台:上台面石材倒斜角下嵌灯.......................................................................... 322
台面石材倒半圆.......................................................................................................................... 323
台面:石材加厚倒斜角...................................................................................................... 324
台面:石材加厚背切斜角............................................................................................... 325
台面:人造石-1 ....................................................................................................................... 326
台面:人造石-2 ....................................................................................................................... 327
台面:木框内嵌石材............................................................................................................ 328
柜台:上台面石材倒半圆造型................................................................................. 329
柜台:上台面石材下加造型........................................................................................ 330
台面:表面贴美耐板............................................................................................................ 331
台面:密度板外贴美耐板............................................................................................... 332
柜台:表面贴美耐板............................................................................................................ 333
柜台:表面贴美耐板下嵌灯........................................................................................ 334
台面:强化玻璃、实木条封边................................................................................. 335
台面:镜面玻璃.......................................................................................................................... 336
展示柜-1 ........................................................................................................................................... 337
展示柜-2 ........................................................................................................................................... 338
展示柜-3 ........................................................................................................................................... 339
台面:不锈钢板.......................................................................................................................... 340
坐柜-1 ................................................................................................................................................. 341
坐柜-2 ................................................................................................................................................. 342
木工常用名词释义................................................................................................................................. 24
硅酸钙板平顶天花板............................................................................................................ 28
松木板材平顶天花板............................................................................................................ 29
塑胶板材平顶天花板............................................................................................................ 30
实木贴皮平顶天花板............................................................................................................ 31
边框企口式平顶天花板...................................................................................................... 32
边框线板式平顶天花板...................................................................................................... 33
龙骨结构层板式间接照明............................................................................................... 34
板材结构层板式间接照明............................................................................................... 35
间接照明式天花板-1 ......................................................................................................... 36
间接照明式天花板-2 ......................................................................................................... 37
洗墙式间接照明天花板...................................................................................................... 38
沟槽造型间接照明天花板............................................................................................... 39
内角线板造型天花板............................................................................................................ 40
阶梯式灯具挡板造型天花板........................................................................................ 41
双线板式造型天花板............................................................................................................ 42
阶梯式造型天花板................................................................................................................... 43
内外角线板式造型天花板-1 ..................................................................................... 44
内外角线板式造型天花板-2 ..................................................................................... 45
间接照明外加企口造型天花板.................................................................................. 46
圆形天花板加框加企口造型天花板..................................................................... 47
间接照明下加造型框天花板........................................................................................ 48
悬吊式空心格栅造型天花板........................................................................................ 49
阶梯加线板造型天花板....................................................................................................... 50
固定式空心格栅造型天花板........................................................................................ 51
间接照明上加造型框天花板........................................................................................ 52
间接照明加线形出、回风口........................................................................................ 53
双层间接照明造型天花板............................................................................................... 54
圆弧造型天花板.......................................................................................................................... 55
圆弧造型上接平顶天花板............................................................................................... 56
内斜边造型天花板-1 ......................................................................................................... 57
内斜边造型天花板-2 ......................................................................................................... 58
吸顶式窗帘盒................................................................................................................................ 59
外挂式窗帘盒................................................................................................................................ 60
外挂式造型窗帘盒................................................................................................................... 61
外挂式造型窗帘盒................................................................................................................... 61
半嵌入式窗帘盒.......................................................................................................................... 62
半嵌入式造型窗帘盒............................................................................................................ 63
嵌入式窗帘盒................................................................................................................................. 64
间接照明式窗帘盒................................................................................................................... 65
窗帘盒内嵌灯................................................................................................................................ 66
窗帘盒上接空调固定架构............................................................................................... 67
内嵌式空调盒................................................................................................................................ 68
面板外凸式维修口................................................................................................................... 69
木作边框维修口.......................................................................................................................... 70
塑胶边框维修口.......................................................................................................................... 71
无框式回风口................................................................................................................................ 72
灯槽、内嵌灯................................................................................................................................ 73
玻璃灯箱.............................................................................................................................................. 74
实木框玻璃灯箱.......................................................................................................................... 75
天花板两片式悬吊拉门...................................................................................................... 76
天花板单片式悬吊拉门...................................................................................................... 77
吸顶双片悬吊式拉门............................................................................................................ 78
直铺无底板式地板................................................................................................................... 80
平铺式地板....................................................................................................................................... 81
保丽龙板代替龙骨式高架地板................................................................................. 82
直贴龙骨式高架地板............................................................................................................ 83
空心承载板式高架地板...................................................................................................... 84
承载龙骨式高架地板............................................................................................................ 85
承载板式高架地板................................................................................................................... 86
支撑龙骨式高架地板-1 .................................................................................................. 87
支撑龙骨式高架地板-2 .................................................................................................. 88
高架地板面贴卡扣板材...................................................................................................... 89
无底板式高架地板................................................................................................................... 90花板地板
两阶式踏板....................................................................................................................................... 91
齐头式收尾....................................................................................................................................... 92
高架地板下:抽屉柜............................................................................................................ 93
高架地板下:悬空.................................................................................................................... 94
地板下拉门框组.......................................................................................................................... 95
地板下嵌灯....................................................................................................................................... 96
榻榻米地板下拉门框组...................................................................................................... 97
木架构壁板....................................................................................................................................... 100
壁板贴附装饰材.......................................................................................................................... 101
硅酸钙板壁板................................................................................................................................ 102
松木板材壁板................................................................................................................................ 103
企口造型壁板................................................................................................................................ 104
壁板贴附实木拼板................................................................................................................... 105
壁板贴附文化石.......................................................................................................................... 106
壁板贴附石材................................................................................................................................ 107
壁板贴附瓷砖................................................................................................................................ 108
隔热耐燃壁板................................................................................................................................ 109
嵌入式玻璃承板.......................................................................................................................... 110
板材嵌入式承板.......................................................................................................................... 111
全牙螺桿固定式承板............................................................................................................ 112
壁面固定式承板.......................................................................................................................... 113
龙骨结构式承板.......................................................................................................................... 114
板材嵌入式:加厚承板...................................................................................................... 115
龙骨结构式:承板内嵌灯............................................................................................... 116
龙骨结构式:承板后嵌灯............................................................................................... 117
板材嵌入式:加厚承板内嵌灯-1 ....................................................................... 118
板材嵌入式:加厚承板内嵌灯-2........................................................................ 119
造型壁面内嵌灯.......................................................................................................................... 120
壁面造型框-1.............................................................................................................................. 121
壁面造型框-2.............................................................................................................................. 122
壁面造型框-3.............................................................................................................................. 123
壁面造型框:外加线板-1............................................................................................. 124
壁面造型框:外加线板-2............................................................................................. 125
壁面造型框:外加线板-3............................................................................................. 126
壁面造型下嵌灯........................................................................................................................... 127
壁面造型:上置灯箱.............................................................................................................. 128
壁面造型:下置灯箱.............................................................................................................. 129
壁面造型:上嵌灯................................................................................................................... 130
壁面造型:灯箱-1 ................................................................................................................ 131
壁面造型:灯箱-2 ................................................................................................................ 132
壁面造型:灯箱-3 ................................................................................................................ 133
壁面造型:内嵌柜................................................................................................................... 134
壁面造型:台面上嵌灯...................................................................................................... 135
床头造型:内嵌式床边柜............................................................................................... 136
床头造型:内嵌式软垫...................................................................................................... 137
斜背坐柜.............................................................................................................................................. 138
直背坐柜.............................................................................................................................................. 139
踢脚线..................................................................................................................................................... 142
木作隔屏踢脚线.......................................................................................................................... 143
木作造型框玻璃隔屏-1 .................................................................................................. 144
木作造型框玻璃隔屏-2 .................................................................................................. 145
木作造型框玻璃隔屏-3 .................................................................................................. 146
木框玻璃隔屏-1 ....................................................................................................................... 147
木框玻璃隔屏-2 ....................................................................................................................... 148
木作耐燃隔屏................................................................................................................................ 149
玻璃屏风造型塔头................................................................................................................... 150
木作门框-1 .................................................................................................................................... 152
木作门柜-2 .................................................................................................................................... 153
木作门框-3 .................................................................................................................................... 154
无门式造型门框.......................................................................................................................... 155
有门式造型门框.......................................................................................................................... 156
门框内嵌消音条.......................................................................................................................... 157
单面造型有门式门框............................................................................................................ 158
双开式木作门框.......................................................................................................................... 159
双面造型无门式门框-1 .................................................................................................. 160
双面造型无门式门框-2 .................................................................................................. 161
壁挂单片悬吊式拉门............................................................................................................ 162
隐藏式拉门....................................................................................................................................... 163
嵌入壁面式拉门.......................................................................................................................... 164
外盖门框式拉门.......................................................................................................................... 165
抵框式拉门....................................................................................................................................... 166
拉门下挡类型................................................................................................................................ 167
联动式拉门与配件................................................................................................................... 168
拉门间隙可调式下挡............................................................................................................ 169
地板上格栅木条拉门与轮轴........................................................................................ 170
格栅木条拉门与框..................................................................................................................... 171
壁面造型式隐藏门-1 ......................................................................................................... 172
壁面造型式隐藏门-2 ....................................................................................................... 173
橱柜式隐藏门................................................................................................................................ 174
橱柜常用门片................................................................................................................................ 175
空心门片-1 .................................................................................................................................... 176
空心门片-2 .................................................................................................................................... 177
格栅木条拉门................................................................................................................................ 178
橱柜:木框玻璃门-1 ......................................................................................................... 179
橱柜:木框玻璃门-2 ......................................................................................................... 180
木框玻璃门-1 .............................................................................................................................. 181
木框玻璃门-2 .............................................................................................................................. 182
实木门..................................................................................................................................................... 183
空心造型门片-1 ....................................................................................................................... 184
空心造型门片-2 ....................................................................................................................... 185
实木框玻璃门................................................................................................................................ 186
木框造型玻璃门.......................................................................................................................... 187
橱柜:造型门片-1 ................................................................................................................ 188
橱柜:造型门片-2 ................................................................................................................ 189
柜体直贴天花板-1 ................................................................................................................ 192
柜体直贴天花板-2 ................................................................................................................ 193
塔头:单板结构.......................................................................................................................... 194
塔头加厚:表面贴装饰材............................................................................................... 195
塔头加厚:下贴装饰材...................................................................................................... 196
及顶正面内缩式塔头.............................................................................................................. 197
塔头加厚:L 形板材结构................................................................................................ 198
塔头加厚:水平向板材结构........................................................................................ 199
柜体加框式塔头-1 ................................................................................................................ 200
柜体加框式塔头-2 ................................................................................................................ 201
造型塔头.............................................................................................................................................. 202
及顶外凸式塔头.......................................................................................................................... 203
及顶塔头.............................................................................................................................................. 204
吸顶式造型塔头-1 ................................................................................................................ 205
吸顶式造型塔头-2 ................................................................................................................ 206
吸顶式造型塔头-3 ................................................................................................................ 207
橱柜:两片式拉门轮轴配件........................................................................................ 208
橱柜:两片式拉门上导槽-1 ..................................................................................... 209
橱柜:两片式拉门上导槽-2 ..................................................................................... 210
橱柜:两片式拉门( 内嵌沟槽) 与轮轴配件........................................... 211
橱柜:悬吊两片式拉门与轮轴配件................................................................... 212
橱柜:悬吊式拉门实木下挡与构件................................................................... 213
橱柜:单片外挂式拉门...................................................................................................... 214
橱柜:双片外挂式拉门...................................................................................................... 215
柜体加框:留18 mm 企口.......................................................................................... 216
柜体加框:留9 mm 企口.............................................................................................. 217
柜体加框-1 .................................................................................................................................... 218
柜体加框-2 .................................................................................................................................... 219
柜体加造型框-1 ....................................................................................................................... 220
柜体加造型框-2 ....................................................................................................................... 221
柜体加造型框-3 ....................................................................................................................... 222
柜体加造型框-4 ....................................................................................................................... 223
门面盖18 mm............................................................................................................................. 224
门片盖13.5 mm.......................................................................................................................... 225
门片盖9 mm.................................................................................................................................. 226
门片盖4.5 mm............................................................................................................................. 227
门片入柱.............................................................................................................................................. 228
门片入柱盖9 mm...................................................................................................................... 229
企口9 mm......................................................................................................................................... 230
门片盖24 mm............................................................................................................................... 231
表面板材交接-1 ....................................................................................................................... 232
表面板材交接-2 ....................................................................................................................... 233
表面板材交接-3 ....................................................................................................................... 234
柜体间加柱-1 .............................................................................................................................. 235
柜体间加柱-2 .............................................................................................................................. 236
柜体间加柱-3 .............................................................................................................................. 237
柜体间加柱-4 .............................................................................................................................. 238
柜体加造型柱................................................................................................................................ 239
L 形书桌柜........................................................................................................................................ 240
包柱L 形柜...................................................................................................................................... 241
加框L 形柜-1 ............................................................................................................................. 242
加框L 形柜-2 ............................................................................................................................. 243
无门式L 形衣柜转角............................................................................................................ 244
有门式L 形衣柜转角............................................................................................................ 245
门片:侧面封边形式............................................................................................................ 246
门片:企口挡板样式-1 .................................................................................................. 247
门片:企口挡板样式-2 .................................................................................................. 248
抽屉企口与暗把手................................................................................................................... 249
抽屉与门片企口.......................................................................................................................... 250
门片企口与斜边暗把............................................................................................................ 251
入柱型抽屉....................................................................................................................................... 252
抽屉:无企口挡板式.............................................................................................................. 253
抽屉入柱加框-1 ....................................................................................................................... 254
抽屉入柱加框-2 ....................................................................................................................... 255
衣柜灯..................................................................................................................................................... 256
橱柜内嵌灯-1 .............................................................................................................................. 257
橱柜内嵌灯-2 .............................................................................................................................. 258
橱柜内嵌灯-3 .............................................................................................................................. 259
柜体外加实木脚.......................................................................................................................... 260
柜体嵌入实木脚.......................................................................................................................... 261
柜体外加木作脚.......................................................................................................................... 262
柜体嵌入木作脚.......................................................................................................................... 263
切齐门片踢脚线.......................................................................................................................... 264
内缩柜体式踢脚线................................................................................................................... 265
柜体悬空下嵌灯-1 ................................................................................................................ 266
柜体悬空下嵌灯-2 ................................................................................................................ 267
柜体悬空下嵌灯-3 ................................................................................................................ 268
踢脚内缩下嵌灯.......................................................................................................................... 269
拉门式橱柜踢脚-1 ................................................................................................................ 270
拉门式橱柜踢脚-2 ................................................................................................................ 271
拉门式橱柜踢脚-3 ................................................................................................................ 272
外凸门片造型踢脚线-1 .................................................................................................. 273
外凸门片造型踢脚线-2 .................................................................................................. 274
外凸门片造型踢脚线-3 .................................................................................................. 275
外凸门片造型踢脚线-4 .................................................................................................. 276
柜体下:调整式金属脚...................................................................................................... 277
橱柜实木脚....................................................................................................................................... 278
踢脚下置塑胶垫.......................................................................................................................... 279
平台:造型踢脚.......................................................................................................................... 280
直贴地板式踢脚.......................................................................................................................... 281
平台:石材踢脚.......................................................................................................................... 282
活动柜..................................................................................................................................................... 283
踢脚抽屉.............................................................................................................................................. 284
抽屉下暗格....................................................................................................................................... 285
衣柜内暗格....................................................................................................................................... 286
走抽底与走中含式抽屉...................................................................................................... 287
二段与三段式抽屉滑轨...................................................................................................... 288
抽板式三段式滑轨................................................................................................................... 289
拉门式衣柜与抽屉................................................................................................................... 290
开门式衣柜与抽屉-1 ......................................................................................................... 291
开门式衣柜与抽屉-2 ......................................................................................................... 292
悬吊式橱柜:固定样式-1 ........................................................................................... 293
悬吊式橱柜:固定样式-2 ........................................................................................... 294
悬吊式橱柜:固定样式-3 ........................................................................................... 295
悬吊式橱柜:固定样式-4 ........................................................................................... 296
悬吊式橱柜:固定样式-5 ........................................................................................... 297
悬吊式橱柜:固定样式-6 ........................................................................................... 298
悬吊式造型柜................................................................................................................................ 299
门片切齐台面................................................................................................................................ 302
门片外凸台面................................................................................................................................ 303
抽屉内缩台面................................................................................................................................ 304
加厚台面.............................................................................................................................................. 305
台面下加企口挡板................................................................................................................... 306
台面:斜角造型.......................................................................................................................... 307
台面:半圆造型.......................................................................................................................... 308
台面:半圆加斜边造型...................................................................................................... 309
台面:斜边造型.......................................................................................................................... 310
台面:贴实木皮.......................................................................................................................... 311
台面加厚造型................................................................................................................................ 312
实木台面.............................................................................................................................................. 313
台面:实木集成板材............................................................................................................ 314
会议桌:线槽................................................................................................................................ 315
书桌:出线孔................................................................................................................................ 316
台面:柜体加框.......................................................................................................................... 317
造型台面.............................................................................................................................................. 318
床头柜台面....................................................................................................................................... 319
台面下企口造型.......................................................................................................................... 320
柜台:上台面、面贴贴皮夹板................................................................................. 321
柜台:上台面石材倒斜角下嵌灯.......................................................................... 322
台面石材倒半圆.......................................................................................................................... 323
台面:石材加厚倒斜角...................................................................................................... 324
台面:石材加厚背切斜角............................................................................................... 325
台面:人造石-1 ....................................................................................................................... 326
台面:人造石-2 ....................................................................................................................... 327
台面:木框内嵌石材............................................................................................................ 328
柜台:上台面石材倒半圆造型................................................................................. 329
柜台:上台面石材下加造型........................................................................................ 330
台面:表面贴美耐板............................................................................................................ 331
台面:密度板外贴美耐板............................................................................................... 332
柜台:表面贴美耐板............................................................................................................ 333
柜台:表面贴美耐板下嵌灯........................................................................................ 334
台面:强化玻璃、实木条封边................................................................................. 335
台面:镜面玻璃.......................................................................................................................... 336
展示柜-1 ........................................................................................................................................... 337
展示柜-2 ........................................................................................................................................... 338
展示柜-3 ........................................................................................................................................... 339
台面:不锈钢板.......................................................................................................................... 340
坐柜-1 ................................................................................................................................................. 341
坐柜-2 ................................................................................................................................................. 342











